工程案例
業務范圍
預應力纖維布加固技術
發布時間:2014-07-15
1、引言用于建筑結構補強加固的高強纖維材料,具有高強高效、耐腐蝕性能及耐久性,不增加構件的自重及體積、適用面廣及便于施工等優點。但當采用無預應力方式加固時,由于纖維布的應力滯后造成高強纖維布的強度利用率很低。以碳纖維布為例,構件達到正常使用極限狀態時,纖維布的應力約為300MPa。實際工程中,因構件為二階段受力,如未采取卸載或頂撐等措施,其實際的應力水平將更低。在使用高強纖維布對梁進行加固時,有一種特有的破壞形態,即纖維布與構件的粘結層破壞而使纖維布被整體的剝離,這種破壞形態帶有明顯的脆性特點,是非常危險的破壞形式。同時這種破壞使高強纖維布的高強特性無從發揮,極大地降低了構件的承載力和變形。
2、FRP加固受彎構件
2.1 破壞形式
根據相關研究資料表明,FRP加固受彎構件有以下6種破壞形態:
①超筋破壞,即在受拉鋼筋達到屈服前受壓區混凝土壓壞;
②部分超筋破壞,即鋼筋屈服后受壓區混凝土壓壞,而FRP未達到極限拉應變;
③適筋破壞,即鋼筋屈服后FRP達到極限拉應變拉斷,而受壓區混凝土尚未壓壞;
④表層混凝土剪切受拉剝離破壞;
⑤ FRP與混凝土間粘結基層剝離破壞。
⑥在預應力FRP加固中,鋼筋未屈服而纖維布拉斷。
對于①可通過限制FRP的加固量來避免。④⑤可通過采用相應的構造措施、規定最小混凝土強度、保證粘結質量和選用性能優良的粘結材料來控制。對于⑥,可通過控制預應力度來避免。②③兩種破壞形式,相比較而言,構件有較大的變形,FRP的強度也得到了較為充分的利用,是相對理想的破壞形式。
2.2 剝離應力的產生
在典型的彎剪構件中,粘結界面上有兩類剝離應力:一是剝離剪應力τ,主要由兩個因素引起:①由構件沿縱向彎曲變形的差異,引起纖維布自身的應變梯度而產生的;②裂縫處纖維布的局部不均勻應變所引起的。二是剝離正應力σ,兩個因素:①裂縫處截面在剪力作用下產生豎向的相互錯動所引起的;②對于未施加預應力的纖維布,直接粘貼時,由于構件表面不平整,在纖維布拉直的過程中所引起的。當粘結界面在這兩類剝離應力的綜合作用下達到了粘結層的拉剪強度或是混凝土的抗拉強度,就會引起纖維布與混凝土構件的粘結層破壞或表層混凝土撕裂,而使纖維布被剝離。
如何有效解決粘結界面過早發生剝離破壞的現象,是解決高強纖維布加固技術在工程應用中的一個關鍵問題。
3、預應力高強纖維布加固技術
3.1 預應力的作用
試驗表明,預應力的存在有四個方面的作用。①提高開裂荷載,增大構件剛度,解決高強纖維布的應力滯后問題,提高加固效率;②構件剛度大,纖維布應變增加較慢,同樣的荷載作用下,纖維布的應力梯度小,減小剝離剪應力;③軸向壓力可抑制裂縫的發展和截面的豎向錯動,減小裂縫處粘結層的剝離剪應力和正應力;④預應力使纖維布從開始就處于平直狀態,能減小剝離正應力。②③④共同作用使被加固構件的極限承載力明顯提高,纖維布的高強度也得到較為充分的利用。
3.2 粘結層的影響
粘結層的主要作用是將纖維布與混凝土粘結成為一個整體,傳遞應力。通常加固所用的粘結材料,雖然粘結強度較高,但往往變形能力較差,很容易發生剝離破壞。試驗表明,如在基本不降低粘結強度的基礎上,提高粘結層的變形能力,可降低粘結層的剝離應力,防止剝離破壞發生;最終亦能使纖維布整體的應變得以充分地發展。粘結層良好的變形能力和對纖維布浸漬性可以延緩破壞過程,構件的變形大為提高,明顯改善構件的延性。
3.3 錨固的作用
由于錨固的存在,當荷載較大時,力的傳遞不再僅僅依靠纖維布與混凝土的粘結力,纖維布端頭處的應力將會明顯的增加,纖維布的應力梯度減小,提高發生剝離破壞時纖維布的整體應力;而且,即使發生剝離破壞也不致使構件整體失效。
4、擠壓式預應力張拉技術
傳統預施加應力的方式往往是先張拉后錨固;需要相對復雜的張拉機具,以及相應的反力裝置,并且,在錨固的時候,預應力的損失也比較大。而擠壓式預應力張拉技術,其特點就是先錨固后張拉,無需復雜的張拉機具和相應的反力裝置,預應力損失小,方法簡便有效。通過測纖維布的應變,可以直接掌握有效預應力。裝置見圖1:

(a)安裝前 (b)安裝后
圖1 錨夾具安裝示意圖
原理及操作方法:按圖1(a)抹膠后將纖維布拉直就位,蓋上錨固鋼板,安裝緊固螺帽,將鋼筋連同纖維布向外拉,同時收緊錨固鋼板,利用鋼筋與錨固鋼板一端的弧面作用,利用擠壓力將鋼筋和纖維布向外推動,初步將纖維布張緊。膠硬結后,收緊夾具,通過擠壓,使纖維布收緊,建立預應力。
5、工程實踐及施工工藝
5.1 工程簡介
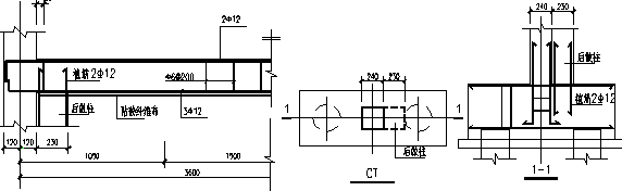
本工程為一改造加固工程,混合結構房屋,由于使用用途的變化,需要將底層的一個洞口由原來的1.5m擴大為2.9m,原洞口上梁為圈梁兼過梁,混凝土為C25。
經驗算,改造后梁底縱筋計算面積為583.5mm2,實際面積為339.3mm2,構件抗彎承載力不足。
箍筋實際面積為282.74mm2,而計算面積為272mm2,無需進行抗剪加固。
5.2 加固方案
本工程原加固方案如圖3所示,采用先拆除墻體,后在梁底粘貼碳纖維布,最后在梁兩端各補做一混凝土柱。

圖3 原加固方案圖
此方案因補做柱需要開挖至承臺,又需要植筋,工程量和難度都較大。并且碳纖維布要發揮作用,尚需構件繼續發生變形,而過大的變形有可能引起上部砌體的開裂。因此,此方案的缺陷是很明顯的。
經過多方比較,并結合現場的情況,確定如下加固方案:在梁兩側下部各采用7.5cm寬的雙層碳纖維布進行加固,Asf =50.1mm2,纖維布可提供極限抗彎承載力約19KN.M,構件有足夠的安全儲備?紤]實際使用的要求,有效預應力控制在800MPa,約合3400,考慮長期預應力損失,實際張拉至3800。此時構件在變形基本不增加的條件下即可滿足抗彎承載力的要求。
優點:①由于采用預應力,可在梁兩側加固。先加固后拆除,無需支撐,施工方便安全;②施加預應力,構件變形小,充分利用碳纖維布的高強度;③采用有較好變形能力的粘結層,有效防止剝離破壞的發生,提高構件的延性。
缺點:纖維布的有效力臂短,工作效率低?赏ㄟ^增加纖維布的用量和施加預應力來彌補。
5.3 施工工藝及過程
纖維布加固施工中,施工工藝和質量直接關系到加固的效果,先進合理的施工工藝和可靠的施工質量是取得良好加固效果的前提。擠壓式預應力張拉技術經過大量的試驗,并結合相應的現場條件,其施工工藝及過程如下:
①首先將梁兩側,及板底靠近梁兩側10cm范圍,梁下20cm范圍內墻兩側的抹灰層清除;
②按圖4所示位置打孔,清孔后將螺栓帶膠植入孔內,蒙錨固鋼板固定;
③梁兩側找平,先將表面松動的混凝土打磨找平,露出密實層,清理后再用粘膠刮平;
④待螺栓處膠硬結后,采用擠推法帶膠按圖5所示位置安裝碳纖維布,將纖維布初步張緊;
⑤待錨固處膠硬結后第一次施加預應力,約為2500,將纖維布完全拉直,此時纖維布與混凝土表面留有約2mm的空隙,用紗布浸膠將纖維布下沿塞緊后灌粘結膠;
⑥膠稍干后第二次施加預應力至預定大。ㄓ袛D壓效應),同時將擠出的膠涂抹在纖維布的表面,用膠將纖維束充分浸透,待膠初步硬結后,表面撒中砂。
⑦48小時后,待膠充分硬結后,拆除墻體,割除多余的螺桿,分層抹1:2水泥砂漿20厚覆蓋纖維布和錨具。對夾具進行防銹處理后,采用裝飾手段處理。
參考文獻:
[1] 楊勇新,岳清瑞,葉列平.碳纖維布與混凝土的粘結強度指標.工業建筑,2003,33(2).
[2] Zhishen Wu *, Jun Yin. Fracturing behaviors of FRP-strengthened concrete structures[J]. Engineering Fracture Mechanics 70 (2003) 1339?1355
[3] 葉列平,崔衛等,碳纖維布加固混凝土構件正截面受彎承載力分析. 建筑結構,2001第31卷第3期.
[4] 吳剛,郭正興,張繼文.碳纖維復合材料加固混凝土結構技術及施工要點[J].建筑技術,2000,31(6).
相關施工技術文章
-
2014-07-15地下工程的防水材料應用
-
2014-08-09水泥基滲透結晶型防水材料的應用
-
2014-07-15應用聚脲技術實現地震次生災害的防御
-
2014-08-05鋼筋砼阻銹技術
-
2015-03-06浴室防水施工規范
-
2014-08-09防水涂料的分類及其施工注意事項
-
2014-07-15防水材料準備時須注意的細節
-
2014-08-05工作面煤層隔水底板注漿增厚加固技術
-
2014-07-15鋼結構加固技術措施
-
2014-12-03淺析鋼結構防腐漆被廣泛使用的原因